Microchip Technology HV96001 LED Controllers
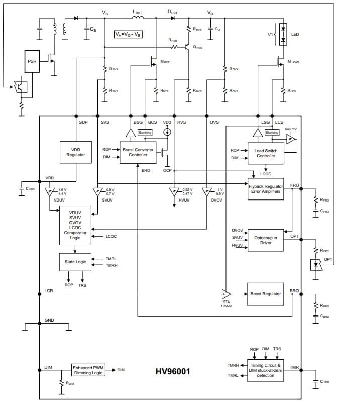
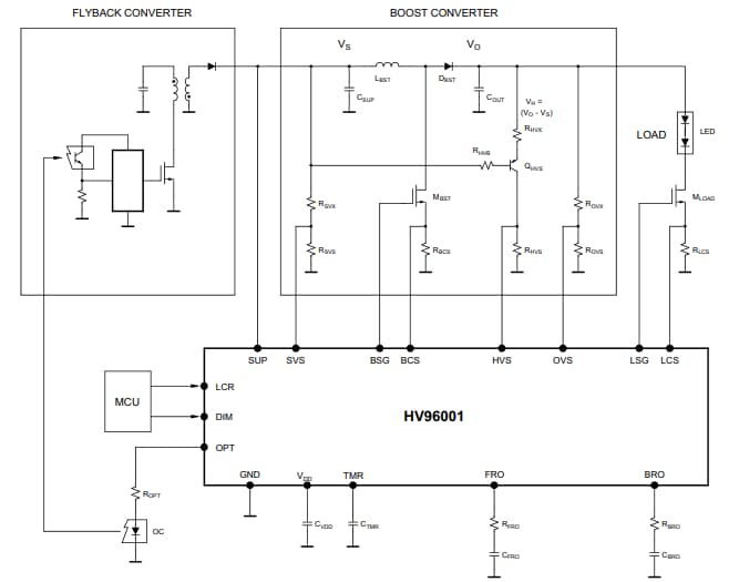
Microchip Technology HV96001 LED Controllers are micro-interfaced and flicker-free LED controllers with enhanced PWM (digital) dimming and analog dimming capability. These LED drivers are designed for offline lighting applications requiring wide dimming capability. The HV96001 LED controllers maintain a high conversion efficiency over a wide LED load voltage range by adjusting the output voltage of the AC-DC conversion stage. These LED controllers are also capable of maintaining precise control over the LED current amplitude, which helps in achieving consistent color temperature. The HV96001 LED controllers feature two feedback regulators, including a boost regulator for control of the LED current amplitude and a flyback regulator for controlling the flyback output voltage. The HV96001 LED controllers offer fault recovery with an auto-retry delay set using a timing capacitor and short circuit protection of output with auto-retry delay. These LED controllers from Microchip Technology are ideal for use in offline LED lighting applications featuring a wide range of PWM dimming and linear dimming.Features
- 8V to 60V wide input voltage range
- Linear (analog) dimming
- With a wide range of amplitude control of the LED current
- Pulse-Width Modulation (PWM) (digital) dimming
- Dims down to 0.01% and lower
- With PWM pulse width lower than 150ns
- PWM dimming frequency up to 20kHz
- Flyback converter
- With automatic output voltage adjustment for maintaining high system efficiency
- Boost converter
- Wide near zero output voltage ripple for a ripple-free LED current
- 100Hz/120Hz ripple rejection
- 200kHz fixed switching frequency
- VDD regulator
- 60V input voltage/5V output voltage
- 10mA drive for supplying external loads
- Fault recovery with auto-retry delay set using timing capacitor
- Undervoltage detection of
- VDD voltage
- Supply voltage (flyback output voltage)
- Overvoltage detection of
- LED load voltage (boost output voltage)
- Overcurrent detection of
- Load switch current
- Stuck-at-zero detection of
- DIM input signal
- Short circuit protection of output with auto-retry delay
Applications
- Offline LED lighting applications featuring wide range for PWM dimming and linear dimming
Block Diagram
Typical Application Circuit
Published: 2020-01-21
| Updated: 2024-07-09
