Mersen ATDR Amp-Trap 2000® Power Fuses

Mersen ATDR Amp-Trap 2000® Power Fuses provide IEC Type 2 No Damage protection to increasingly sensitive branch circuit components and small motors. These fuses minimize the risk of fault-related damage, and these CC fuses feature time-delay characteristics with excellent cycling ability for small motor loads. The rejection-style design prevents replacement errors, and the highly visible orange label ensures instant brand recognition, further simplifying replacement. Constructed with a fiberglass body, dimensional stability is provided in harsh industrial settings, and the high-grade silica filler ensures fast arc quenching and optimum current limitation. Mersen ATDR Amp-Trap 2000 Power Fuses are suitable for contactors, small motors, branch circuit protection, and lighting, heating, and general loads.

Features

  • Time delay for motor starting inrush currents without nuisance opening
  • Highly current-limiting for low peak let-thru current
  • Improved cycling ability for frequent motor starts/stops without nuisance fuse opening
  • Rejection-style design prevents replacement errors
  • High-visibility orange label ensures instant brand recognition
  • Metal-embossed date and catalog number for traceability and lasting identification
  • Fiberglass body provides dimensional stability in harsh industrial settings
  • High-grade silica filler ensures fast arc quenching and optimum current-limitation

Applications

  • Small motors
  • Contactors
  • Lighting, heating, and general loads
  • Branch circuit protection

Specifications

  • Approvals
    • UL listed to standard 248-4 File E2137
    • CSA certified to standard C22.2 No. 248.4
    • DC listed to UL standard 248
  • 600VAC, 300VDC voltage rating
  • 1/4A to 30A voltage range

Dimensions

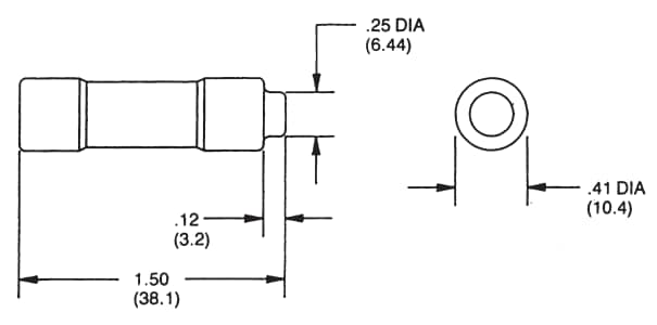
Mechanical Drawing - Mersen ATDR Amp-Trap 2000® Power Fuses
Published: 2024-09-05 | Updated: 2024-09-19