MEAN WELL DBR-3200 & DBU-3200 Battery Chargers

MEAN WELL DBR-3200 and DBU-3200 Battery Chargers are 3.2kW single-output  AC/DC smart chargers available in a rack or enclosed type. These chargers feature a 1U low profile and high power density of up to 37W/in3. The modules are fully digitalized and include pre-loaded programmable charging curves for different types of lead-acid and Li-ion batteries. These chargers provide design flexibility with built-in functions such as programmable output (PV and PC), active current sharing, and remote on-off control. A programmable output function allows users to adjust the charging voltage and current via the built-in potentiometer or power management bus (PMBus) protocol.

MEAN WELL DBR-3200 and DBU-3200 Battery Chargers provide various protection mechanisms and temperature compensation functions for a normal and safe system operation. These chargers also include auxiliary power and built-in in ORing FETs to support hot swap (DBR-3200). Typical applications include industrial automation, telecommunication equipment, battery charging equipment, and electrical vehicle (EV) charging stations.

Features

  • 37W/in3 high power density
  • 3.2kW single output
  • Rack-type and enclosed-type chargers
  • Charger for:
    • Lead-acid batteries (gel, flooded, and AGM)
    • Li-ion batteries (lithium ion and lithium manganese)
  • Built-in default 3-stage charging curves and programmable curve
  • Built-in I2C interface and PMBus protocol 
  • 325.8mm x 107mm x 41mm dimensions 1U profile 
  • Universal AC input/full range
  • Built-in active power factor correction (PFC) function
  • Forced air cooling by built-in thermal-controlled DC fans
  • Programmable output voltage and current
  • Built-in ORing FET
  • Active current sharing up to 6400W (1+1)
  • Battery undervoltage, battery no connection, short-circuit, overvoltage, and overtemperature protection
  • Optional conformal coating
  • UL/EN/IEC 62368-1 safety standard
  • EN 55032/55024 EMC standard

Applications

  • Industrial automation
  • Telecommunication equipment
  • Battery charging equipment
  • EV charging stations
  • Electrolysis systems
  • Large-scale DC uninterruptible power supplies (UPS) and emergency backup systems
  • Marine battery charger modules
  • Wastewater treatment systems

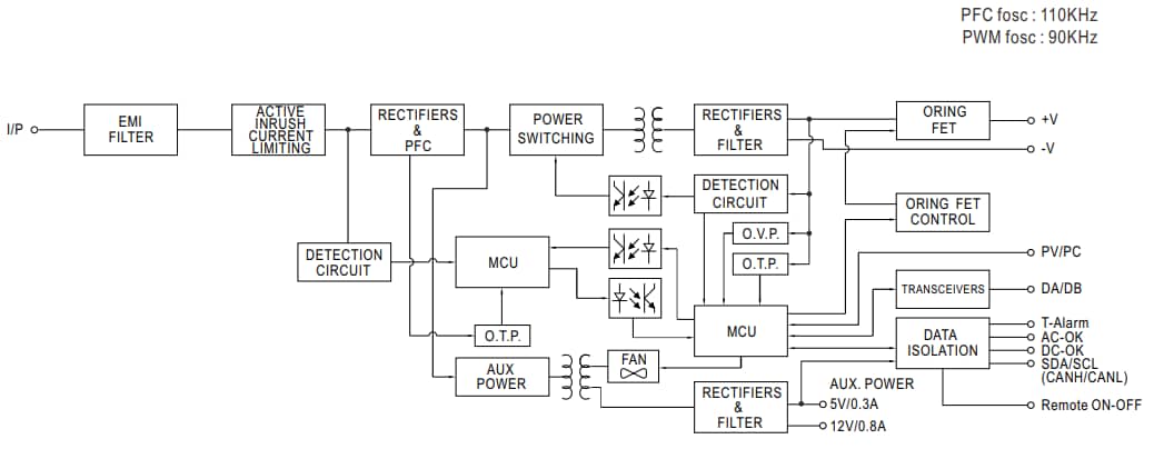
DBU-3200 Block Diagram

Block Diagram - MEAN WELL DBR-3200 & DBU-3200 Battery Chargers

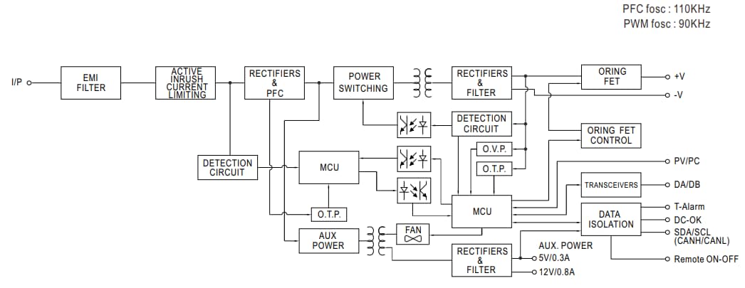
DBR-3200 Block Diagram

Block Diagram - MEAN WELL DBR-3200 & DBU-3200 Battery Chargers

Performance Graphs

MEAN WELL DBR-3200 & DBU-3200 Battery Chargers
Published: 2018-10-08 | Updated: 2023-01-24