MaxLinear XR76203, XR76205, XR76208 Step-Down COT Regulators

MaxLinear XR76203, XR76205, and XR76208 Step-Down COT Regulators are synchronous step-down regulators that combine the controller, drivers, bootstrap diode, and MOSFETs into a single package for point-of-load supplies. These devices have load current ratings of 3A (XR76203), 5A (XR76205), and 8A (XR76208). Each has a wide 5V to 40V input voltage range that allows for single supply operation from industry standard 24V ±10%, 18V to 36V, and rectified 18VAC and 24VAC rails.   

With a proprietary emulated current mode Constant On-Time (COT) control scheme, the XR76203, XR76205, and XR76208 provide extremely fast line and load transient responses using ceramic output capacitors. Each device requires no loop compensation, thus simplifying circuit implementation and reducing overall component count. The control loop also provides 0.07% load and 0.15% line regulation and maintains constant operating frequency. A selectable power-saving mode allows the user to operate in discontinuous conduction mode (DCM) at light current loads, thereby significantly increasing the converter efficiency.

A host of protection features, including over-current, over-temperature, short-circuit, and UVLO, helps achieve safe operation under abnormal operating conditions.

The MaxLinear XR76203, XR76205, and XR76208 Step-Down COT Regulators are available in an RoHS compliant, green/halogen-free, space-saving QFN30 package. The "-Q" variants of this device are AEC-Q101 qualified for use in automotive applications.

Features

  • Controller, drivers, bootstrap diode and MOSFETs integrated in one package
  • 3A, 5A and 8A Step-Down Regulators
  • Wide 5V to 40V Input Voltage Range
  • >0.6V Adjustable Output Voltage
  • Proprietary Constant On-Time Control
  • No Loop Compensation Required
  • Stable Ceramic Output Capacitor Operation
  • Programmable 200ns to 2μs On-Time
  • Constant 100kHz to 800kHz Frequency
  • Selectable CCM or CCM/DCM
  • CCM/DCM for high efficiency at light-load
  • CCM for constant frequency at light-load
  • Programmable Hiccup Current Limit with Thermal Compensation
  • Precision Enable and Power Good flag
  • Programmable Soft-start
  • 5.0mm x 5.0mm QFN30 package

Applications

  • Distributed power architecture
  • Point-of-Load (POL) converters
  • Power supply modules
  • FPGA, DSP, and processor supplies
  • Base stations, switches and routers, and servers

Typical Application Circuit

Application Circuit Diagram - MaxLinear XR76203, XR76205, XR76208 Step-Down COT Regulators

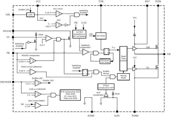
Block Diagram

Block Diagram - MaxLinear XR76203, XR76205, XR76208 Step-Down COT Regulators
Published: 2015-05-08 | Updated: 2022-04-21