MACOM GaAs-Based Wideband MMIC Power Amplifiers

MACOM Gallium Arsenide (GaAs)-Based Wideband MMIC Power Amplifiers can be used as drivers or power amplifiers in microwave communications, test and measurement, aerospace and defense, and multi-market applications. The power amplifiers from MACOM are ideal for wideband frequency ranges between 20GHz to 45GHz. These components are fabricated using a GaAs pHEMT process, which features full passivation for enhanced reliability.

The MAAM-011277-DIE is a 2.5mm x 1.15mm wideband 0.25W power amplifier that has 22dB of linear gain and 25dBm P3dB (saturated output power at 3dB gain compression) with 17% power-added efficiency (PAE) while biased at 5V.

The MAAM-011291-DIE is a wideband 1W power amplifier monolithic microwave integrated circuit (MMIC) die with 19dB of linear gain, 30dBm P3dB, and 15% efficiency while biased at 5V.

Applications

  • Microwave communications
  • Test and measurement
  • Aerospace and defense
  • Multi-market applications

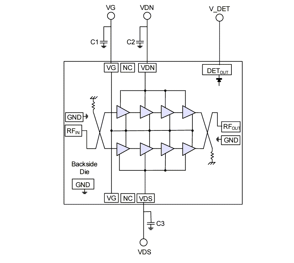
MAAM-011277-DIE Application Schematic

Application Circuit Diagram - MACOM GaAs-Based Wideband MMIC Power Amplifiers

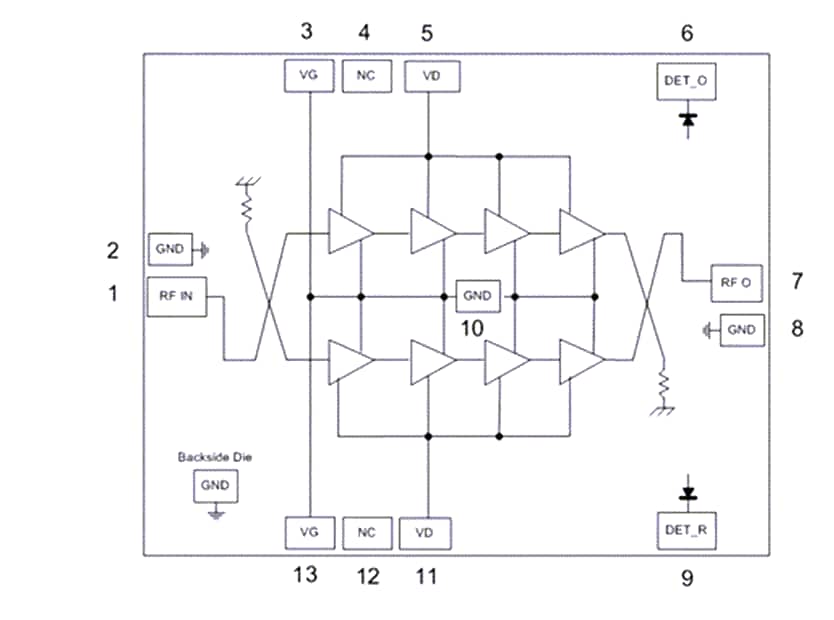
MAAM-011277-DIE Functional Schematic

Schematic - MACOM GaAs-Based Wideband MMIC Power Amplifiers

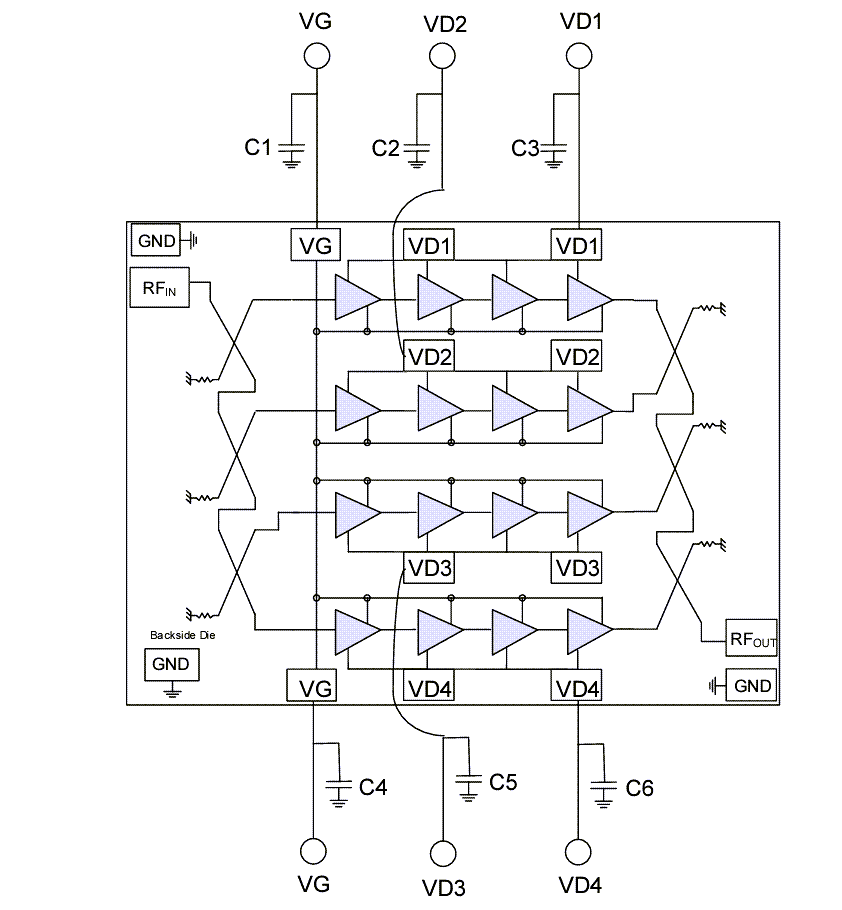
MAAM-011291-DIE Application Schematic

Application Circuit Diagram - MACOM GaAs-Based Wideband MMIC Power Amplifiers

MAAM-011291-DIE Functional Schematic

Schematic - MACOM GaAs-Based Wideband MMIC Power Amplifiers
Published: 2020-08-07 | Updated: 2024-06-04