IEI Technology HYPER-ASL PICO-ITX Single Board Computers (SBCs)

IEI HYPER-ASL PICO-ITX Single-Board Computers (SBCs) feature Intel® Alder Lake-N/Amston Lake onboard SoCs, with 8GB LPDDR5 memory on board by default. The SBCs include HDMI, LVDS, M.2 M key, M.2 A key, USB 3.2, iSATA 6GB/s, COM, and are RoHS-compliant.

The HYPER-ASL-N2C-R10 PICO-ITX SBC includes an Intel Alder Lake-N N97 onboard SoC, 8GB LPDDR5 memory on board by default, with HDMI, LVDS, Dual LAN, M.2 M key, M.2 A key, USB 3.2, iSATA, COM, and is RoHS-compliant.

The HYPER-ASL-R3C-R10 PICO-ITX SBC offers an Intel Atom® x7433RE onboard SoC, 8GB LPDDR5 memory on board by default, with HDMI, LVDS, Dual LAN, M.2 M key, M.2 A key, USB 3.2, iSATA, COM, and is RoHS-compliant.

The IEI HYPER-ASL-R4C-R10 PICO-ITX SBC features an Intel Atom x7835RE onboard SoC, 8GB LPDDR5 memory on board by default, with HDMI, LVDS, Dual LAN, M.2 M key, M.2 A key, USB 3.2, iSATA, COM, and is RoHS-compliant.

Features

  • Onboard LPDDR5 8GB pre-installed (system max.16GB)
  • High-speed I/O interface for USB 3.2 Gen 2, SATA 6Gb/s
  • Support 2x 2.5GbE with i226V
  • Double displays with 1x HDMI 2.0 and 1x LVDS
  • Support M.2 A key and M.2 M key

Specification Chart

Chart - IEI Technology HYPER-ASL PICO-ITX Single Board Computers (SBCs)

Kit Contents

  • 1x HYPER-ASL SBC with heat spreader
  • 1x QIG
  • 1x iSATA cable
  • 1x power cable

Overview

IEI Technology HYPER-ASL PICO-ITX Single Board Computers (SBCs)

Block Diagram

Block Diagram - IEI Technology HYPER-ASL PICO-ITX Single Board Computers (SBCs)

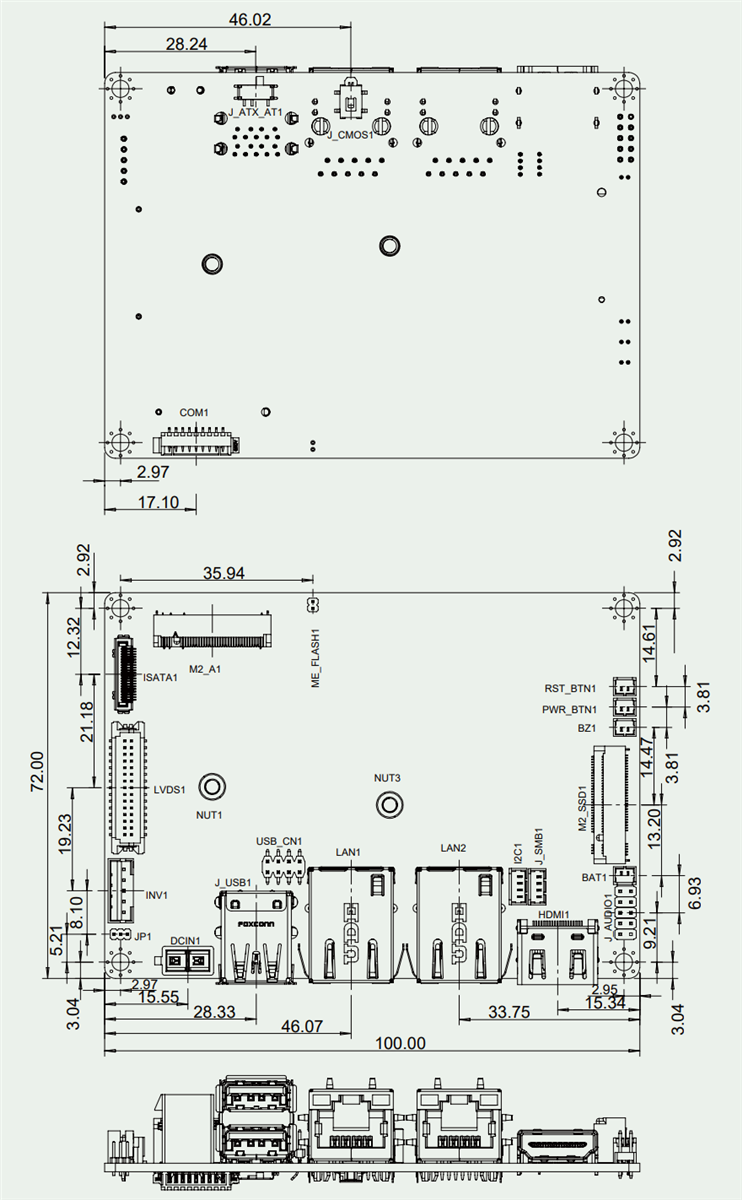
Dimensions mm

Mechanical Drawing - IEI Technology HYPER-ASL PICO-ITX Single Board Computers (SBCs)
Published: 2025-07-28 | Updated: 2025-08-14