HALO Electronics DC-DC Converters
HALO Electronics DC-DC Converters are 1W and 2W isolated converters that provide a compact surface mount solution. The DC11 and DC21 converters are designed with 1.5KVDC isolation voltage, and the DC13 converters are designed with 3KVDC isolation voltage. The DC-DC converters feature high efficiency and low ripple noise and are designed to operate from -40°C to +105°C temperature range. These converters offer functional insulation and provide continuous short-circuit protection. Both 1W and 2W versions are available in industry-standard SMD packages.Features
- DC/DC 1W and 2W unregulated converters
- 1.5KVDC isolation voltage (DC11 and DC21 converters)
- 3KVDC isolation voltage (DC13 converters)
- Functional insulation
- -40°C to +105°C operating temperature range
- High efficiency and low ripple/noise
- Continuous short-circuit protection
- Meets UL/EN62368-1
Pin-Out/Block Diagram
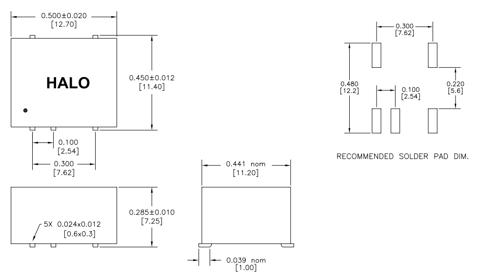
Mechanical Drawing
Published: 2024-08-09
| Updated: 2024-12-06
