Diodes Incorporated PI4IOE5V9554 8-bit IO Expander

Diodes Incorporated PI4IOE5V9554 8-bit IO Expander is a 16-pin CMOS device that provides 8-bit of general-purpose parallel Input/Output (GPIO) expansion. This expander incorporates an 8-bit configuration register (input or output selection) and an 8-bit input port register. The PI4IOE5V9554 expander also includes an 8-bit output port register and an 8-bit polarity inversion register (active HIGH or active LOW operation). This expander features high drive capability, 5V I/O tolerance, low supply current, individual I/O configuration, 400kHz clock frequency, and small packaging. The PI4IOE5V9554 expander offers a noise filter on SCL/SDA inputs, no glitch on power-up, and internal power-on reset. This expander provides a simple solution when additional I/O is needed for ACPI power switches, sensors, pushbuttons, LEDs, and fans.

Features

  • 8-bit I2C-Bus GPIO with interrupt and reset
  • 5V tolerant I/Os
  • Polarity inversion register
  • Active LOW interrupts the current
  • Low current consumption
  • 0Hz to 400KHz frequency range
  • Noise filter on SCL/SDA inputs
  • Power-on reset
  • ESD protection (4KV HBM and 1KV CDM)
  • Packages
    • SOIC-16
    • TSSOP-16
    • TQFN 3 x 3 - 16
    • TQFN 4 x 4 - 16

Applications

  • Server
  • Networking
  • Telecom
  • Laptop
  • TV

Block Diagram

Block Diagram - Diodes Incorporated PI4IOE5V9554 8-bit IO Expander

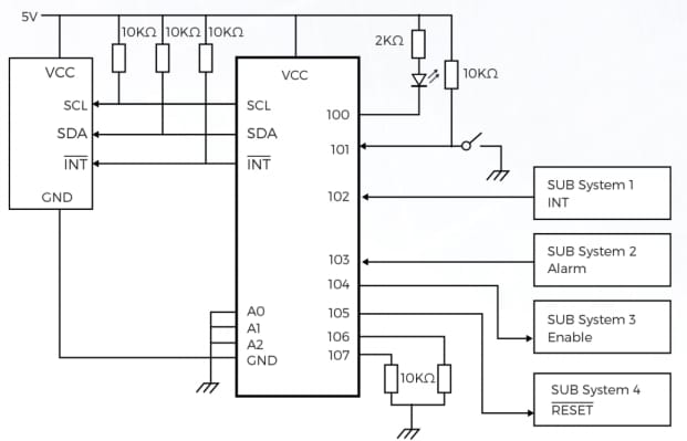
Typical Application Circuit Diagram

Application Circuit Diagram - Diodes Incorporated PI4IOE5V9554 8-bit IO Expander
Published: 2020-05-15 | Updated: 2024-07-31