Cincon LFM300M AC/DC Power Supplies with PFC
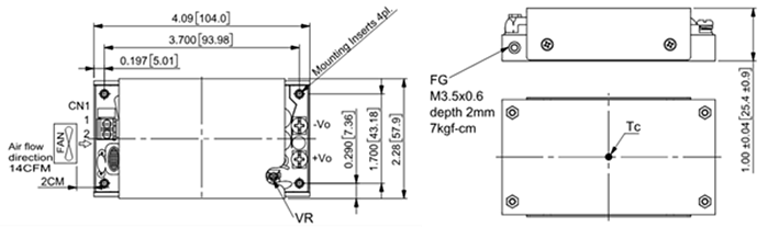
Cincon LFM300M AC/DC Power Supplies feature a high-efficiency 300W output power with an active power correction (PFC) capability. The power supplies offer a low no-load power consumption and high power density in a low-profile 104mm x 57.9mm x 25.4mm package. The LFM300M series meets IEC/EN/UL 60601-1 2 MOPP safety approval for medical applications. The power supplies provide various protections, including continuous short circuit (SCP), over voltage (OVP), and over temperature (OTP). The Cincon LFM300M AC/DC Power Supplies operate within a 12VDC to 54VDC nominal output voltage range and -40°C to +80°C temperature range with 94% efficiency.Features
- Universal input range
- High efficiency
- Class I and II
- Low-profile package
- 104mm x 57.9mm x 25.4mm dimensions
- Low no-load input power consumption
- High power density
- Active PFC function
- Protections
- Continuous SCP
- OVP
- OTP
- IEC/EN/UL 60601-1 2 MOPP safety approval
- IEC/EN/UL 62368-1 safety approval
- Meets IEC/EN 60335-1
- CE, UKCA listed
Specifications
- 12VDC to 54VDC nominal output voltage range
- 85VAC to 264VAC input voltage range
- 5.56A to 25A output current range (with fan)
- 150mV to 540mV ripple and noise range
- 47Hz to 63Hz input frequency range
- 11.4VDC to 56.7VDC voltage adjustment range
- 5A max input current rating
- 93% to 94% efficiency
- -40°C to +80°C operating temperature range
- -40°C to +85°C storage temperature range
Electrical Block Diagram
Dimensions (mm)
Additional Resources
Published: 2024-05-03
| Updated: 2024-08-22
