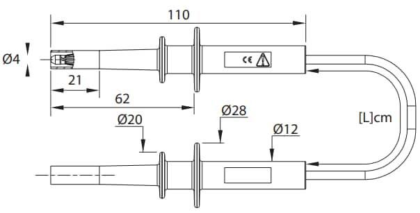
Cal Test Electronics CT3020 5kV Banana Plug Test Leads
Cal Test Electronics CT3020 5kV Banana Plug Test Leads are double-ended 4mm long‐reach sheathed banana plug test leads with PVC jackets. The test leads are rated to 1000V CAT IV and have a special high-voltage, highly flexible test lead wire. These features allow the CT3020 test leads to interface with the 5kV and 4mm sheathed banana jack series. The CT3020 test leads are available in black or red colors and 1000mm or 1500mm lengths.Features
- Double-ended
- 4mm long‐reach sheathed test leads
- Up to 5kV operation when used in non-category environments with up to 2kV transient overvoltages
- Highly flexible test lead wire
- Black or red color options
- 1000mm or 1500mm length options
- 1000V CAT IV rated
Dimensional Drawing
Published: 2020-06-17
| Updated: 2024-04-09
