Bel Power Solutions RCM200 Dual Output DC-DC Converters
Bel Power Solutions RCM200 Dual Output DC-DC Converters are designed for chassis mounting and exhibit a closed housing with cooling openings. These DC-DC converters are reliable power supplies for railway and transportation systems. The RCM200 DC-DC converters offer extremely high efficiency and high power density. These dual-output DC-DC converters boast overtemperature, overvoltage, overcurrent, and overload protections. The RCM200 DC-DC converters measure 116mm x 38mm x 188.6mm and are compliant with EN 50155, EN 50121-3-2, and AREMA. Also, these DC-DC converters are safety-approved to IEC/EN 62368-1, CSA 62368-1, and UL 62368-1.Features
- RoHS lead-free-solder product
- Dual output +15V/-15V or +24V/-24V
- Closed housing for chassis mounting
- Extremely high efficiency and high power density
- Low inrush current
- 3 connectors, input, output, and auxiliary
- Overtemperature, overvoltage, overcurrent, and overload protections
- Compliant to EN 50155, EN 50121-3-2, and AREMA
- Safety-approved to IEC/EN 62368-1, CSA 62368-1, and UL 62368-1
Applications
- Railway and transportation systems
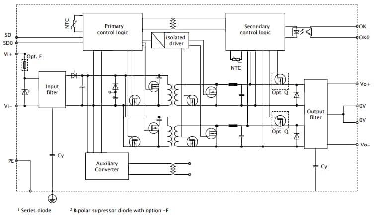
Block Diagram
Efficiency
View Results ( 16 ) Page
| Part Number | Output Power | Input Voltage, Nominal | Input Voltage - Min | Input Voltage - Max | Input Voltage |
|---|---|---|---|---|---|
| 110RCM200-1515DM | 200 W | 110 VDC | 50.4 VDC | 137.5 VDC | 50.4 VDC to 137.5 VDC |
| 24RCM200-1515DM | 200 W | 24 VDC | 16.8 VDC | 45 VDC | 16.8 VDC to 5 VDC |
| 110RCM200-1515DMF | 200 W | 110 VDC | 50.4 VDC | 137.5 VDC | 50.4 VDC to 137.5 VDC |
| 110RCM200-1515DMFK | 200 W | 110 VDC | 50.4 VDC | 137.5 VDC | 50.4 VDC to 137.5 VDC |
| 110RCM200-1515DMK | 200 W | 110 VDC | 50.4 VDC | 137.5 VDC | 50.4 VDC to 137.5 VDC |
| 110RCM200-1515DMQ | 200 W | 110 VDC | 50.4 VDC | 137.5 VDC | 50.4 VDC to 137.5 VDC |
| 110RCM200-1515DMQF | 200 W | 110 VDC | 50.4 VDC | 137.5 VDC | 50.4 VDC to 137.5 VDC |
| 110RCM200-1515DMQFK | 200 W | 110 VDC | 50.4 VDC | 137.5 VDC | 50.4 VDC to 137.5 VDC |
| 110RCM200-1515DMQK | 200 W | 110 VDC | 50.4 VDC | 137.5 VDC | 50.4 VDC to 137.5 VDC |
| 24RCM200-1515-DMF | 200 W | 24 VDC | 16.8 VDC | 45 VDC | 16.8 VDC to 5 VDC |
Published: 2024-08-31
| Updated: 2024-09-25
