Apex Microtechnology AIC1532 32-Channel High Voltage Driver

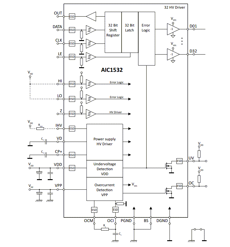
Apex Microtechnology AIC1532 32-Channel High Voltage Driver is a 32-bit serial to parallel converter IC offering 32x high voltage push-pull outputs and TTL-compatible input signals. The 32x outputs are developed to drive capacitive and resistive loads. The AIC1532 provides an internal protection function that monitors the logic supply voltage (VDD) and disables all output transistors of the high-voltage push-pull outputs if an undervoltage condition is detected.

The Apex Microtechnology AIC1532 32-Channel High Voltage Driver comprises a 32-bit shift register with a clock (CLK) and a data (DATA) input. The data output (OUT) enables the cascading of several ICs. The 32-bit data will be latched with the Latch Enable Signal (LE) in a 32-bit latch. Three dedicated logic input signals (HI, LO, and Z) allow setting all high voltage outputs instantaneously to high, low, or high impedance without changing the 32-bit shift register and latch setting.

Features

  • 32x high-voltage push-pull output channels
  • High voltage up to 230V
  • TTL compatible inputs
  • Over-current and short-circuit protection
  • Adjustable switching speed of the high-voltage output
  • Under-voltage protection

Applications

  • Drive of capacitive actuators
  • Piezo transducer excitation
  • Electro-luminescent displays

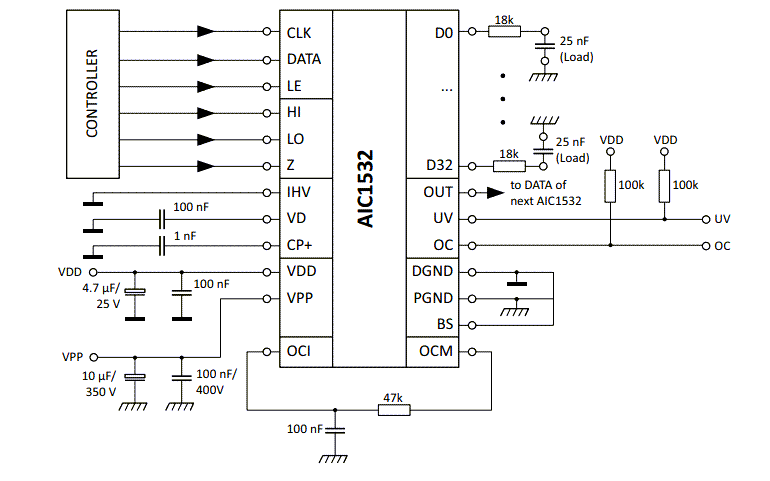
Simple Application Circuit

Application Circuit Diagram - Apex Microtechnology AIC1532 32-Channel High Voltage Driver

Block Diagram

Block Diagram - Apex Microtechnology AIC1532 32-Channel High Voltage Driver
Published: 2023-09-29 | Updated: 2023-10-04