Analog Devices Inc. MAX22088 Home Bus Transceivers

Analog Devices Inc. MAX22088 Home Bus Transceivers comply with home bus standards, passing data and power on one pair of wires while minimizing the need for external components. The series eliminates the large external AC-blocking inductor typically required in bus-powered applications and improves the signal quality to allow for longer cables. The modules feature an integrated 5V linear regulator to power system loads up to 70mA and support passing power and data with speeds up to and exceeding 200kbps. The dynamic cable termination improves signal quality for applications with high data rates. The MAX22088's receiver hysteresis, receiver thresholds, and driver slew rate are adjustable. Integrated protection ensures robust communication in harsh industrial environments. Analog Devices Inc. MAX22088 Homebus Transceivers feature an integrated active inductor in a 24-pin 4mm x 4mm TQFN package.

Features

  • High integration reduces BOM and footprint
    • Eliminates the need for large AC-blocking inductor
    • Compact 4mm x 4mm TQFN package
    • Supports external DC-DC converter for system loads more than 70mA
  • Configurability enables flexible design
    • Adjustable receiver thresholds
    • Switched cable termination
    • Adjustable slew rate on transmit signals
    • Large receiver hysteresis
    • Data rates from 9600bps to ≥200kbps
    • Dynamic cable termination improves signal quality for high-speed applications
  • Power
    • Line input voltage up to 24V
    • Load output current up to 200mA
  • 200kbps data rate over 1km cable
  • Two-wire data-over-power communication reduces cabling and connector cost
  • Integrated protection for robust communication
    • IEC 61000-4-2 ±8kV contact and ±15kV air-gap ESD protection
    • IEC 61000-4-5 ±1kV surge protection with selected external components
    • -40°C to +105°C operating temperature range
    • Thermal shutdown protection
  • Data over power
    • Single pair to save cable cost
    • Polarity agnostic for easy installation
    • AC coupled lines for balanced DC
    • Multi-node supporting complex topology
  • Long cable length (up to 1km), multi-drop (typical 32x nodes, up to 256x), low speed (<200kbps), and cost-effective communication
  • Enables a small form factor, better signal integrity, and robust data-over-power solution

Applications

  • HVAC
  • Data over power
  • Digital signage
  • Remote monitoring and sensing

Videos

Simplified Home Bus System

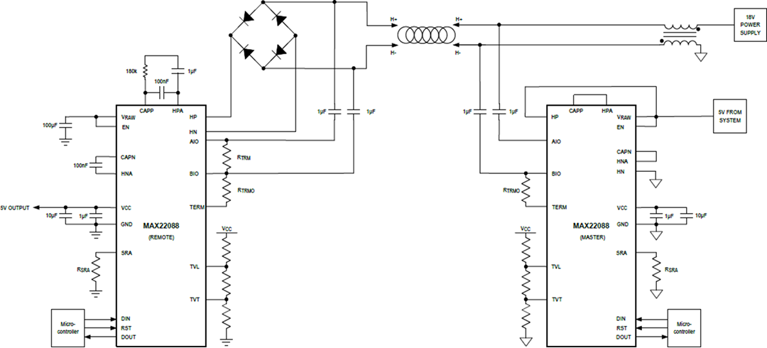
Application Circuit Diagram - Analog Devices Inc. MAX22088 Home Bus Transceivers
Published: 2020-05-11 | Updated: 2024-08-23