Analog Devices / Maxim Integrated MAX17662 Synchronous Step-Down DC-DC Converter

Analog Devices Inc. MAX17662 Synchronous Step-Down DC-DC Converter has integrated MOSFETs operating over an input-voltage range of 3.5V to 36V. It can deliver up to 2A current. The output voltage is programmable from 0.6V up to 90% of VIN. Built-in compensation across the output-voltage range eliminates the need for external compensation components. The MAX17662 features a peak-current-mode control architecture. The MAX17662 can be operated in forced pulse-width modulation (PWM) or discontinuous-conduction mode (DCM) to enable high efficiency under full-load and light-load conditions. The MAX17662 offers a low minimum on-time that allows high switching frequencies and a smaller solution size. The feedback-voltage regulation accuracy over -40°C to +125°C is ±1.33%. The ADI MAX17662 DC-DC Converter is available in a compact 3mm x 3mm TQFN16 package, ideal for space-constrained applications.

Features

  • Reduces external components and total cost
    • No Schottky—synchronous operation
    • Internal compensation components
    • All-ceramic capacitors, compact layout
  • Reduces the number of DC-DC regulators to stock
    • Wide 3.5V to 36V input
    • Adjustable output voltage range from 0.6V up to 90% of VIN
    • Delivers up to 2A over the temperature range
    • 400kHz to 2.2MHz adjustable frequency
    • Available in a 16-pin, 3mm x 3mm TQFN package
  • Reduces power dissipation
    • Peak efficiency of 95%
    • DCM mode enables enhanced light-load efficiency
    • Wide 2.4V to 12V bootstrap bias input (EXTVCC) for improved efficiency
    • 6.5μA shutdown current
  • Operates reliably in adverse industrial environments
    • Hiccup-mode overload protection
    • Adjustable and monotonic startup with pre-biased output voltage
    • Built-in output-voltage monitoring with RESET
    • Programmable EN/UVLO threshold
    • Overtemperature protection
    • High industrial -40°C to +125°C ambient operating temperature range/-40°C to +150°C junction temperature range

Applications

  • Industrial control power supplies
  • General-purpose Point-of-Load
  • Distributed supply regulation
  • Base station power supplies
  • Wall transformer regulation
  • High-voltage, single-board systems

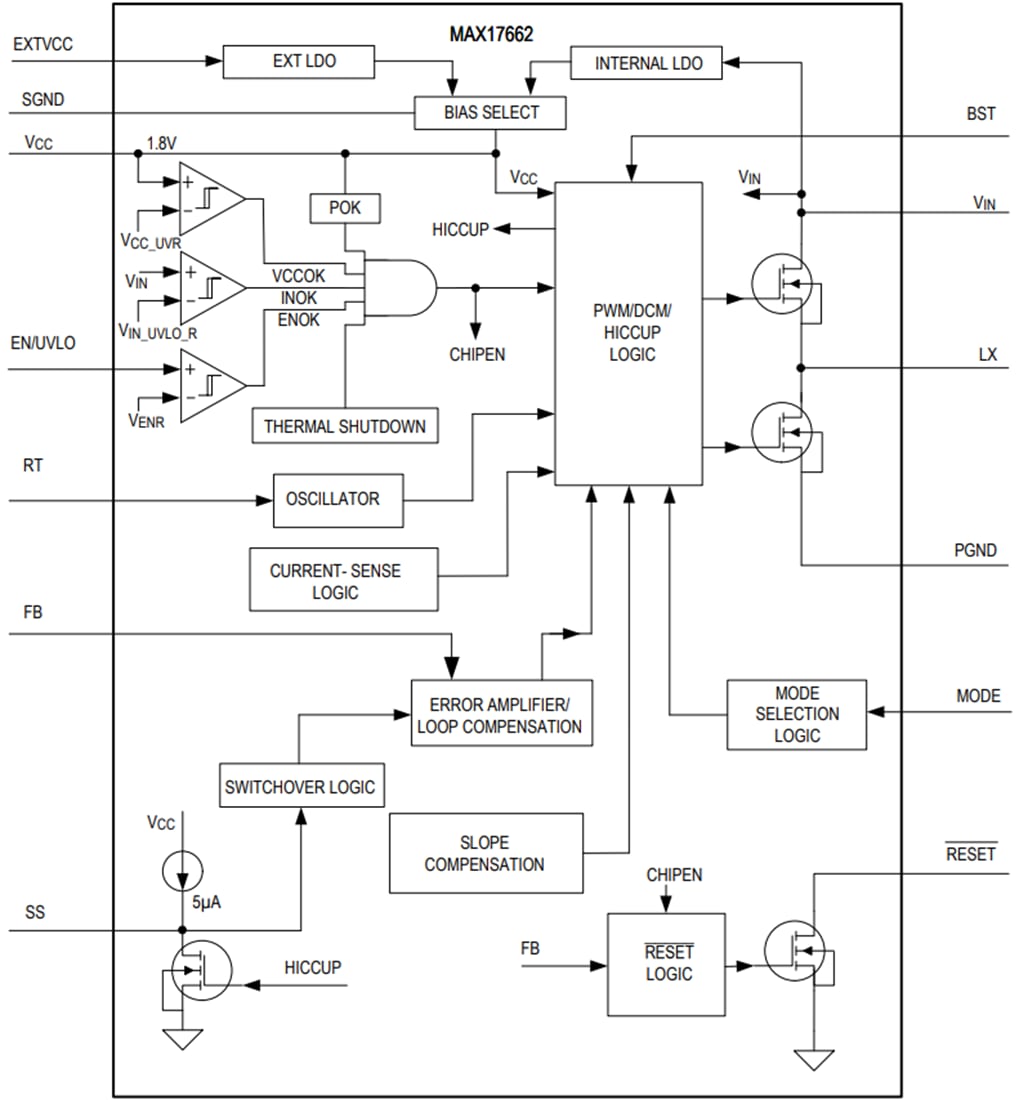
Block Diagram

Block Diagram - Analog Devices / Maxim Integrated MAX17662 Synchronous Step-Down DC-DC Converter
Published: 2019-12-12 | Updated: 2023-05-08