Analog Devices Inc. TMC5241 Smart Integrated Stepper Driver/Controller

Analog Devices TMC5241 Smart Integrated Stepper Drivers and Controllers are 65V, 2ARMS highly integrated stepper motor driver and motion controller integrated circuits (ICs) designed for precise positioning and smooth motion control in embedded applications. The ADI TMC5241 combines a dual-axis motion controller with advanced stepper driver technology, supporting up to two stepper motors with microstepping up to 256 steps per full step. The devices feature StealthChop2™ for ultra-quiet operation and SpreadCycle™ for optimized torque and efficiency. The integrated motion engine enables sophisticated positioning profiles, including linear and ramped movements, without requiring real-time intervention from the host processor.

Communication is facilitated through SPI and UART interfaces, and the TMC5241 offers extensive diagnostics, stall detection via StallGuard2™, and energy optimization through CoolStep™. With a wide supply voltage range and robust protection features, these ADI ICs are ideal for applications such as security, medical, and industrial automation, where precision, reliability, and low noise are critical.

Features

  • 4.5VDC to 65VDC voltage range
  • Low 0.31Ω typical RON (HS + LS) at +25°C
  • Typical current ratings per H-Bridge at +25°C
    • IRMS = 2ARMS (2.8A sine peak) at VS = 24V
    • IRMS = 1.7ARMS (2.4A sine peak) at VS = 48V
  • Fully integrated lossless current sensing
  • 8-point motion controller for minimum jerk
  • SPI and single-wire UART
  • Encoder interface and 2x reference switch inputs
  • High resolution of 256x microsteps per full step
  • Flexible wave table and phase shift to match the motor
  • StealthChop2 silent motor operation
  • SpreadCycle highly dynamic motor control chopper
  • Jerk-free combination of StealthChop2 and SpreadCycle
  • StallGuard2 and StallGuard4 sensorless motor load detection
  • CoolStep current control for up to 75% energy savings
  • Passive braking and freewheeling mode
  • Motor phase temperature estimation
  • Chip temperature measurement
  • General-purpose analog input
  • Full protection and diagnostics
  • Overvoltage protection output
  • Compact 5mm x 7mm TQFN38 package with exposed pad
  • RoHS compliant

Applications

  • Textile, sewing, and knitting machines
  • Lab and factory automation
  • ID/card printers
  • Liquid handling
  • Medical
  • Office automation and paper handling
  • Point-of-Sale (POS)
  • Massage chairs
  • ATMs, cash recyclers/machines, and bill validators
  • CCTV and security
  • Pumps and valve control
  • Heliostat and antenna positioning
  • Stage lighting

Specifications

  • Power supply
    • 4.5V to 65V supply voltage range
      • 25μA maximum sleep mode current consumption
      • 6mA maximum quiescent current consumption
    • 1.8V typical regulator output voltage
    • 20mA minimum VDD current limit
    • 2.2V to 5.5V logic I/O supply voltage range
      • 10μA maximum sleep mode current consumption
      • 60μA maximum quiescent current consumption
  • Logic-level I/Os
    • 60kΩ to 140kΩ internal pull-up/-down resistance range
    • ±1μA input leakage
    • 0.4V maximum output logic low voltage
    • ±1μA open-drain output logic high leakage current
    • 0.9V minimum SLEEPN voltage level high
    • 0.6V maximum SLEEPN voltage level low
    • 1.5MΩ typical SLEEPN pulldown input resistance
  • Output
    • 0.3Ω to 0.75Ω output on-resistance low side range
    • 0.3Ω maximum output on-resistance high side
    • ±10μA output leakage range
    • 100V/μs to 800V/μs typical output slew rate
  • Protection circuits
    • 1.67A to 5.0A overcurrent protection threshold range
    • 0.9μs to 2.3μs overcurrent protection blanking time range
    • 3.75V to 4.05V UVLO threshold on VS
    • 0.12V typical UVLO threshold on VS hysteresis
    • 0.9V to 1.95V UVLO threshold on VCC_IO range
    • 100mV typical VCC_IO UVLO hysteresis
    • +165°C typical thermal protection threshold temperature
    • +20°C typical thermal protection temperature hysteresis
  • Current regulation
    • 12kΩ to 60kΩ IREF pin resistor range
    • 0.882V to 0.918V IREF output voltage range
    • ±7% regulation accuracy
    • 0.7% typical phase-to-phase current regulation mismatch
  • Maximum functional timing
    • 50μs SLEEP time
    • 2.5ms wake-up time from SLEEP
    • 1.5μs enable time
    • 6μs disable time
  • Clock
    • 11.9MHz to 13.2MHz internal clock frequency range
    • 8MHz to 20MHz external clock frequency range
    • 40% to 60% external clock duty cycle range
    • 4MHz minimum external clock detection lower frequency threshold
  • SPI timing
    • 20ns minimum SCK low/high time
    • 5MHz to 8MHz SCK frequency range
    • 10ns minimum SDI setup time before SCK rising edge
    • 10ns minimum SDI hold time after SCK rising edge
    • 50ns to 80ns maximum data out valid time range after SCK falling edge
    • 10ns typical SDI, SCK, and CSN filter delay time
  • Analog-to-digital converter (ADC)/analog input/temperature
    • 13-bit typical ADC resolution
    • 0V to 1.25V analog input voltage range
    • ±1µA analog input leakage range
    • 70kHz maximum analog input frequency
    • ±10°C typical driver temperature accuracy
    • ±4% to ±7% supply voltage measurement accuracy range
  • Thermal resistance
    • Single-layer board
      • 38°C/W junction-to-ambient
      • 1°C/W junction-to-case
    • 4-layer board
      • 28°C/W junction-to-ambient
      • 1°C/W junction-to-case
  • Maximum temperatures
    • -40°C to +125°C operating range
    • +165°C junction
    • +260°C reflow soldering

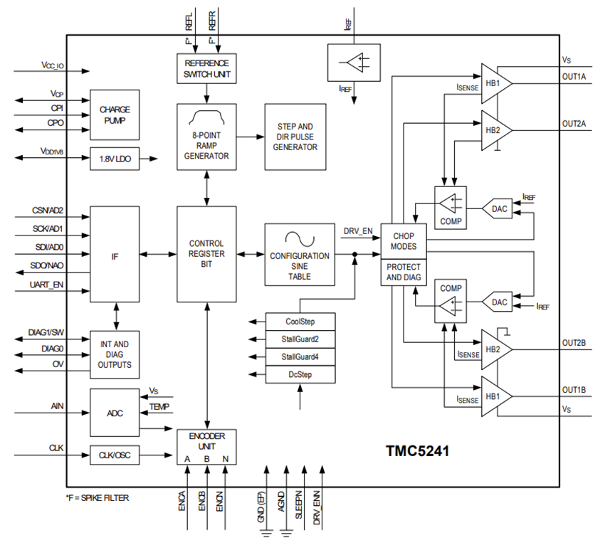
Block Diagram

Block Diagram - Analog Devices Inc. TMC5241 Smart Integrated Stepper Driver/Controller
Published: 2025-11-18 | Updated: 2026-01-27