Analog Devices / Maxim Integrated MAX38647B WLP Evaluation Kit

Analog Devices Inc. MAX38647B WLP Evaluation Kit (MAX38647BEVKIT) evaluates the MAX38647B IC in a wafer-level package (WLP). The compact MAX38647B features a 1.8V to 5.5V input range, 440nA IQ, and a 175mA nanoPower buck converter with four-level VSEL. MAX38647BEVKIT provides resistor-configurable output voltages from 0.5V to 1.8V. The MAX38647B can change voltage dynamically using two voltage-select (VSEL) pins. The fully-assembled/tested Analog Devices Inc. MAX38647B WLP Evaluation Kit delivers up to 175mA of output current and comes with the MAX38647BANA+ installed.

Features

  • Evaluates the MAX38647B IC in an (1.82mm x 0.89mm, 0.4mm pitch) 8-bump WLP package
  • 1.8V to 5.5V input voltage range
  • 0.5V to 1.8V configurable output voltage
  • Up to 175mA output current
  • Proven two-layer 1oz copper PCB layout
  • Demonstrates compact solution size
  • Fully assembled and tested

Required Equipment

  • 1x MAX38647B WLP EV kit
  • 5.5V, 3A DC power supply
  • Load capable of sinking 175mA current
  • Digital voltmeter (DVM)

Schematic

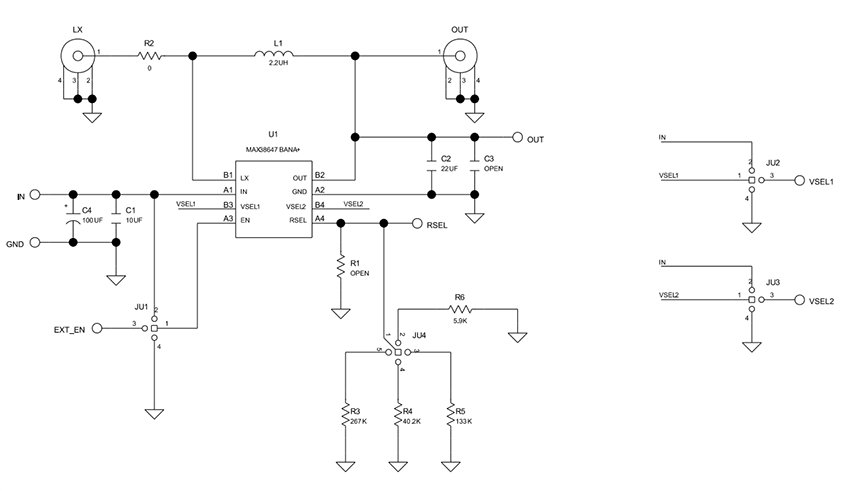
Schematic - Analog Devices / Maxim Integrated MAX38647B WLP Evaluation Kit

Overview

Analog Devices / Maxim Integrated MAX38647B WLP Evaluation Kit
Published: 2023-06-15 | Updated: 2023-07-05