Analog Devices Inc. LTC7852 Switching Controllers

Analog Devices LTC7852 Switching Controllers offer 6-phases and dual output current mode synchronous step-down switching. The LTC7852 works in conjunction with external power train devices such as DrMOS, power blocks, or discrete N-channel MOSFETs and associated gate drivers. The device has a flexible design enabling 1-, 2-, 3-, 4-, 5-, and 6-phase configurations. The LTC7852 provides a unique feature that enhances the signal-to-noise ratio of the current sense signal. This feature allows the use of inductors with very low DC winding resistances for maximum efficiency.

Features

  • Sub-Milliohm DCR sensing or DrMOS with current sense improves efficiency
  • Operates with power blocks, DrMOS or external gate drivers and MOSFETs
  • ±0.5% Total output voltage accuracy
  • tON(MIN) = 40ns, Capable of very low duty cycles at high frequency
  • Dual differential remote sensing amplifiers
  • Flexible phase configuration
  • Dual output current monitoring
  • Programmable frequency range of 250kHz to 1.2MHz
  • VIN Range is not limited by IC
  • 4.5V to 5.5V VCC Range
  • 0.5V to 2.0V VOUT Range
  • 48 Lead (5mm × 6mm) GQFN for LTC7852
  • 36 Lead (4mm × 5mm) QFN for LTC7852-1

Applications

  • Computer systems
  • Telecom and datacom systems
  • DC Power distribution systems

Typical Application

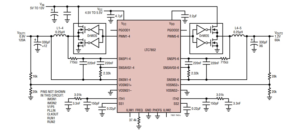
Application Circuit Diagram - Analog Devices Inc. LTC7852 Switching Controllers

Videos

Published: 2019-04-12 | Updated: 2023-10-03