Analog Devices Inc. EVAL-LTC7899-AZ Evaluation Board

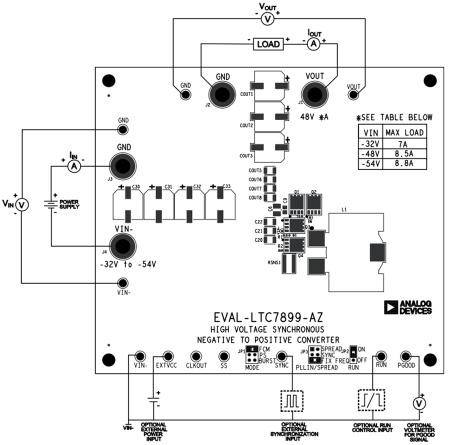
Analog Devices EVAL-LTC7899-AZ Evaluation Board features the LTC7899, a 140V low IQ, synchronous, negative input-to-positive output controller with programmable 5V to 10V gate drive. The EVAL-LTC7899-AZ is a fully assembled and tested board that demonstrates the performance of the LTC7899. The evaluation circuit is designed to deliver a positive 48V output at a load current up to 8.8A from a -32V to -54V input supply. The board is programmed with a switching frequency of 150kHz, which results in up to 97.3% peak efficiency. The evaluation circuit has been designed with 120V FETs; various FETs of similar footprint can be substituted to fit a wide array of applications. The Analog Devices EVAL-LTC7899-AZ provides a high-performance, cost-effective solution for generating a positive 48V output from a negative input.

Applications

  • Industrial power systems
  • Military/avionics
  • Telecommunications power systems

Test Setup

Schematic - Analog Devices Inc. EVAL-LTC7899-AZ Evaluation Board

Board Layout

Mechanical Drawing - Analog Devices Inc. EVAL-LTC7899-AZ Evaluation Board
Published: 2025-09-16 | Updated: 2025-12-23