Analog Devices Inc. EVAL-CN0565-ARDZ EIT Measurement System
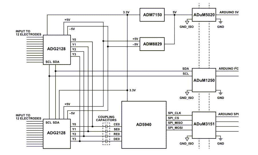
Analog Devices EVAL-CN0565-ARDZ Electrical Impedance Tomography (EIT) Measurement System is designed to characterize and compute surfaces' interior impedance. The system reconstructs a conductivity map using several repeating measurements from electrodes placed at different locations. The EVAL-CN0565-ARDZ supports impedance measurement setups with up to 24 electrodes. The design uses a pair of 8 × 12 analog crosspoint switches, which enables the excitation signal to be applied to one pair of electrodes at a time. Implementing crosspoint switches permits the circuit to maximize the impedance measurements, consequently improving the resolution of the constructed images.The ADI EVAL-CN0565-ARDZ EIT Measurement System design also features full power and signal isolation to the host controller, which can be used as a reference for bioimpedance applications.
Features
- Up to 24x input electrodes, software selectable
- 2- or 4-wire electrode configuration supported
- Real and imaginary measurements up to 200kHz
- Open-source image recreation algorithms
- Isolated power and digital domains from the host
- Arduino form factor compatible
Design Resources
- Schematic
- Bill of Materials
- Gerber files
- Assembly drawing
- Allegro layout file
- LTspice simulation circuit
Download Design Files 6.37M
Additional Resources
Simplified Block Diagram
Layout
Published: 2023-11-08
| Updated: 2023-11-26
