Analog Devices Inc. DC2985A Demo Board for the LT3380
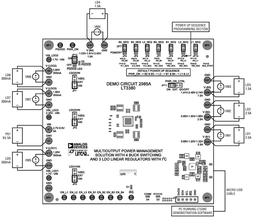
Analog Devices Inc. DC2985A Demo Board is a demo PMIC featuring the LT3380. The LT3380 is a complete power management solution for advanced portable application processor-based systems. The device contains four (two at 2.5A and two at 1.5A) synchronous step-down DC/DC converters for core, memory, I/O, and system-on-chip (SoC) rails. It also features three 300mA LDO regulators for low-noise analog supplies.Features
- Two 2.5A and two 1.5A synchronous step-down DC/DC regulators
- Three 300mA LDO regulators
- Micro-USB communication interface
- 2.7V to 5.5V input voltage range
- 1.20V to 2.48V buck output voltage range
- 0.80V to 1.80V LDO output voltage range
Applications
- Automotive
- Industrial
- Communications
- General-purpose multichannel power supplies
Test Setup
Resources
Published: 2020-07-28
| Updated: 2024-10-22
