Analog Devices Inc. ADRF6780 Microwave Upconverters

Analog Devices Inc. ADRF6780 Microwave Upconverters are based on Silicon Germanium (SiGe) and operate over a wideband frequency range of 5.9GHz to 23.6GHz. These upconverters offer two upconversion modes: direct conversion from baseband I/Q to RF and Single-Side-Band (SSB) upconversion from real Intermediate Frequency (IF). The ADRF6780 upconverter comes in a compact, thermally enhanced, 5mm x 5mm LFCSP package. The ADRF6780 operates over the -40°C to 85°C temperature range. Typical applications include point-to-point microwave radios,radar, electronic warfare systems, instrumentation, and Automatic Test Equipment (ATE).

Features

  • 5.9GHz to 23.6GHz wideband RF output frequency range
  • Two upconversion modes
  • Direct conversion from baseband I/Q to RF
  • Single sideband upconversion from real IF
  • 5.4GHz to 14GHz LO input frequency range
  • LO doubler for up to 28GHz
  • Matched 100Ω balanced RF output, LO input, and IF input
  • High impedance baseband inputs
  • Sideband suppression and carrier feedthrough optimization
  • Variable attenuator and power detector for Tx power control
  • Programmable via 4-wire SPI interface
  • 32-lead, 5mm x 5mm LFCSP microwave packaging

Applications

  • Point-to-point microwave radios
  • Radar and electronic warfare systems
  • Instrumentation
  • Automatic Test Equipment (ATE)

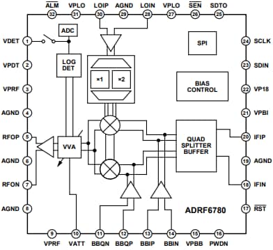
Functional Block Diagram

Block Diagram - Analog Devices Inc. ADRF6780 Microwave Upconverters

Dimensions

Mechanical Drawing - Analog Devices Inc. ADRF6780 Microwave Upconverters
Published: 2026-02-13 | Updated: 2026-03-02